URI:
  TEXT 1670HACK.C64
  TEXT 1AESS.TXT
  TEXT 800M.TXT
  TEXT ABC.TX1
  TEXT ABC.TX2
  TEXT ABC.TX3
  TEXT ABC.TX4
  TEXT ABC1.PHK
  TEXT ABC2.PHK
  TEXT ABC3.PHK
  TEXT ABC4.PHK
  TEXT ACPREFIX.TXT
  TEXT ALLIANCE.INS
  TEXT ALLIANCE.TXT
  TEXT ANI.TXT
   BIN AQUA.BOX
  TEXT AREACODE.TXT
  TEXT ATMFONE.TXT
  TEXT AUSTMOBL.TXT
  TEXT AUSTRLIA.TXT
  TEXT AUTOVON.TXT
  TEXT BEIGE1.TXT
  TEXT BEIGE2.TXT
  TEXT BEIGE3.TXT
  TEXT BELLCORE.INF
   BIN BELLHELL
   BIN BELLHELL
  TEXT BILLDIST.TXT
   BIN BIOC
   BIN BIOC
   BIN BIOC
   BIN BIOC
   BIN BIOC
   BIN BIOC
   BIN BIOC
   BIN BLACK.BOX
  TEXT BLACK1.TXT
  TEXT BLACK2.TXT
  TEXT BLACK3.TXT
   BIN BLUE1.BOX
  TEXT BLUE1.TXT
   BIN BLUE2.BOX
  TEXT BLUE2.TXT
   BIN BLUE3.BOX
  TEXT BLUE3.TXT
  TEXT BLUE4.TXT
  TEXT BLUE5.TXT
  TEXT BOOKBIOC.TXT
   BIN BROWN.BOX
  TEXT BTX.TXT
  TEXT BUGPHONE.PHK
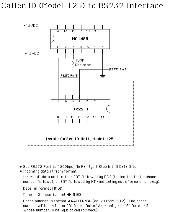
   GIF CALLERID.GIF
  TEXT CALLERID.TXT
   BIN CALLERID.ZIP
  TEXT CALLWAIT.TAP
  TEXT CARDHACK.TXT
   DIR CARRIER.TXT
  TEXT CARRIERS.001
   SND CARRIERS.MOD
  TEXT CARRIERS.TXT
  TEXT CCC.BBS
  TEXT CELLFONE.TXT
  TEXT CELLPHRK.TXT
  TEXT CELLULAR
  TEXT CELULAR1.TXT
  TEXT CELULAR2.TXT
  TEXT CELULAR3.TXT
  TEXT CF.TXT
   BIN CHARGE.BOX
   BIN CHEESE.BOX
  TEXT CICS.LST
   BIN CLEAR.BOX
   BIN CNA.DOC
   BIN CNA.EXE
   BIN CNAINQ20.ZIP
   BIN COLLEGE.ZIP
   BIN COPPER.BOX
  TEXT COSUARD.TXT
   BIN CRIMSON.BOX
  TEXT DETECT.BUG
  TEXT DIAL10.TXT
  TEXT DIAL11.TXT
  TEXT DIAL12.TXT
  TEXT DIAL13.TXT
  TEXT DIAL15.TXT
  TEXT DIAL21.TXT
  TEXT DIAL27.TXT
  TEXT DIAL30.TXT
  TEXT DIAL31.TXT
  TEXT DIAL37.TXT
  TEXT EOBS.TXT
  TEXT EQACC.HAC
  TEXT EUROBLUE
  TEXT EXTENDER.TXT
   BIN FEDBBS.ZIP
  TEXT FONEMODS
  TEXT FONESCI.TXT
   BIN GBLUE.ZIP
   BIN GOLD.BOX
  TEXT GOLSIL.TXT
  TEXT GOOD614.NUM
  TEXT GOVTBBS.LST
  TEXT GOVTBBS.TXT
   BIN GREEN.BOX
  TEXT GROUPASS.TXT
   BIN GUNBELT3.ZIP
   BIN HACK.ZIP
  TEXT INTLDA.TXT
  TEXT IT.TXT
  TEXT LINKLIST.TXT
  TEXT MANUAL1.TXT
  TEXT MANUAL2.TXT
  TEXT MCIACCES.TXT
   BIN MFDIAL.ZIP
  TEXT MFP.TXT
  TEXT MILBBS.LST
  TEXT MILNET.TXT
  TEXT MISP13.TXT
  TEXT MISP15.TXT
  TEXT MISP34.TXT
  TEXT MISP55.TXT
  TEXT MISP65.TXT
  TEXT MISP67.TXT
  TEXT MISP68.TXT
  TEXT MISP70.TXT
  TEXT MISP79.TXT
  TEXT MISP80.TXT
  TEXT MISP81.TXT
  TEXT MISP82.TXT
  TEXT MISP83.TXT
  TEXT MOBFONE.TXT
   BIN MULTIBOX.ZIP
  TEXT NAM.TXT
  TEXT NEATNUMS.TXT
   BIN NEON.BOX
  TEXT NEW800SC.TXT
   DIR NPA800.TXT
  TEXT NPASAC.TXT
  TEXT NYTELOAC.TXT
  TEXT OBB.TXT
  TEXT OCNTABLE.TXT
  TEXT OLIVEBOX.TXT
  TEXT OWN800.TXT
  TEXT PAYFONES
  TEXT PAYPHONE.TXT
   BIN PEARL.BOX
   BIN PHONEB.ZIP
   BIN PHREAK.DIR
   BIN PINK.BOX
  TEXT PINKBOX.TXT
  TEXT PPS.TXT
   BIN RAINBOW.BOX
   BIN RED.BOX
   BIN ROCK.BOX
  TEXT ROUTING.COD
   BIN SILVER.BOX
   BIN SWITCH.BOX
  TEXT TANBOX.TXT
  TEXT TECHBOOK.TXT
  TEXT TELDIG1.TXT
  TEXT TELDIG2.TXT
  TEXT TELDIG3.TXT
  TEXT TELDIG5.TXT
  TEXT TELDIG6.TXT
  TEXT TOLLFRD.TXT
  TEXT UKBLUE.TXT
  TEXT VERIFY.TAP
  TEXT WB.TXT
   BIN WHITE.BOX
   BIN YELWPAGE.DOC